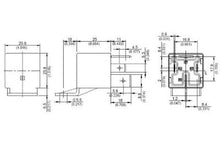
70 Amp High Power 12 Volt Relay
70 Amps of continuous current in a compact package. This powerhouse relay requires special 0.375'' terminals for the power connections.
Two of these terminals are included, as are two additional terminals for the relay's coil connection.
The coil operates at 12 volts DC with an operating temperature up to 257°F (125°C ).
We would recommend using 10 gauge wire for the power connections.


