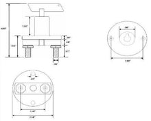
50 Amp battery master switch with a maximum load of 1000 amps (10 seconds) at 12 volts.
Can also be used for 24 volt switching. Comes with a detachable handle to prevent tampering and a cap to protect from debris.
The battery switch is UL rated. Connections to the switch are via 3/8 inch studs so you will use 3/8" ring terminals or 3/8" copper lugs.
Switch can be panel mounted such as through a firewall, trunk wall, or control panel.
              
            
    
                        
            
            
      
      
